precision wedge mounts bolt-on (BO) with calotte - NBR5514

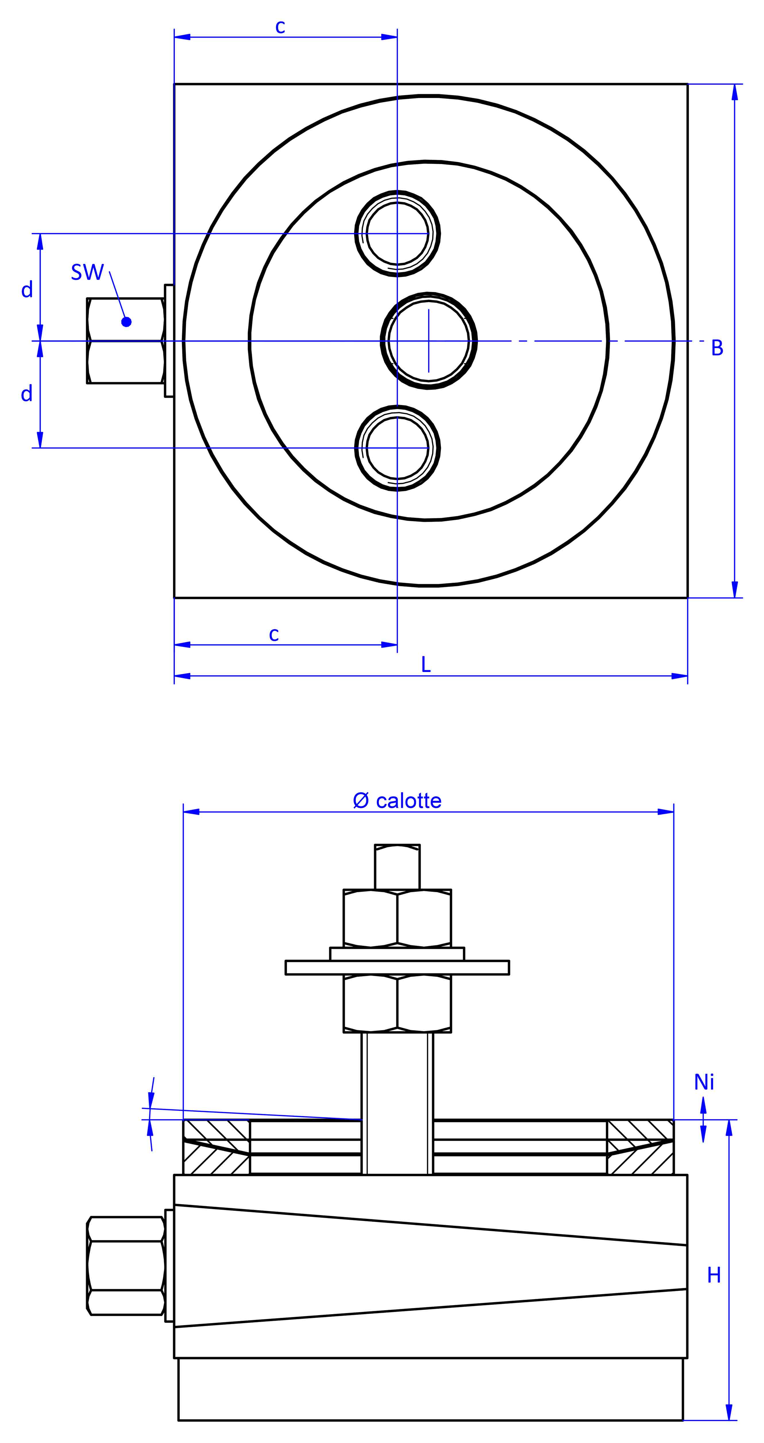
typearticle numberload (daN)L (mm)B (mm)H (mm)Ni (mm)SW (a/i)c (mm)d (mm)thread (bolt-on bottom)calotte (Ø mm)mass (kg)

FK 04/BO/K/NBR5514

8039 0002

660

115

115

68

9

19/10

50

24

M16

110

3,48

FK 05/BO/K/NBR5514

8040 0002

780

125

125

65

9

19/10

50

20

M16

110

4,06

FK 07/BO/K/NBR5514

8041 0002

1120

150

150

74

12

22/12

60

23

M16

110

6,37

FK 07/H/BO/K/NBR5514

8042 0002

1120

150

150

84

12

22/12

60

23

M16

110

7,77

FK 08/BO/K/NBR5514

8043 0002

1250

160

160

76

10

24/14

75

25

M16

110

7,76

FK 10/BO/K/NBR5514

8044 0002

2000

200

200

73

10

24/14

75

27,5

M20

160

11,82

FK 10/H/BO/K/NBR5514

8045 0002

2000

200

200

101

20

27/14

75

27,5

M20

160

17,01

schematic drawing of a bolt-on action machine mount, in the view from the top with two holes in the top part and two threads in the bottom part, an angular compensation calotte consisting of two convex / concave metal rings on the top part and in the side view with a medium-thickness elastomer with smooth surface for passive vibration isolation at the bottom and a fastening screw fastened in the bottom part

an illustration depicting the cross-section of a machine frame, a height-adjustable machine mount with a two-part angular compensation calotte fixed underneath to the machine frame and the foundation at the very bottom

further versions

a square, height-adjustable machine mount made of precision-milled metal, adjusted in middle position, consisting of top, middle and bottom part lacquered in silver colour, with the wedge-shaped middle part featuring a protruding centered hexagonal screw for height adjustment, an angular compensation calotte consisting of two spherical, aligned metal rings fastened onto the top part and a fastening screw fastened in the bottom part, isolated on white background

without elastomer board

  • angle compensation
  • machines with long beds
  • measuring plates
  • devices with low intrinsic rigidity
  • as assembly aide
more
a square, height-adjustable machine mount made of precision-milled metal, adjusted in middle position, consisting of top, middle and bottom part lacquered in silver colour, with the wedge-shaped middle part featuring a protruding centered hexagonal screw for height adjustment, an angular compensation calotte consisting of two spherical, aligned metal rings fastened onto the top part, a fastening screw fastened in the bottom part and a medium-thick black elastomer with structured surface for vibration damping at the bottom, isolated on white background

NBR8516

  • angle compensation
  • generic machine tools
  • textile machines
  • graphics machines
  • machines with horizontal thrust
more
a square, height-adjustable machine mount made of precision-milled metal, adjusted in middle position, consisting of top, middle and bottom part lacquered in silver colour, with the wedge-shaped middle part featuring a protruding centered hexagonal screw for height adjustment, an angular compensation calotte consisting of two spherical, aligned metal rings fastened onto the top part, a fastening screw fastened in the bottom part and a medium-thick black elastomer with smooth surface for vibration damping at the bottom, isolated on white background

NBR9014

  • angle compensation
  • machining centres
  • transfer lines
  • cnc-machine tools
  • round- and flat grinding machines
  • long-bedded machines with low intrinsic rigidity
  • drilling & milling gear
more
a square, height-adjustable machine mount made of precision-milled metal, adjusted in middle position, consisting of top, middle and bottom part lacquered in silver colour, with the wedge-shaped middle part featuring a protruding centered hexagonal screw for height adjustment, an angular compensation calotte consisting of two spherical, aligned metal rings fastened onto the top part, a fastening screw fastened in the bottom part and a medium-thick black elastomer with structured surface for vibration isolation at the bottom, isolated on white background

NBR7516

  • angle compensation
  • highly dynamic machines
  • presses
  • shears
  • punches
  • plastic-injection molding machines
  • compressors
  • pumps
more
a square, height-adjustable machine mount made of precision-milled metal, adjusted in middle position, consisting of top, middle and bottom part lacquered in silver colour, with the wedge-shaped middle part featuring a protruding centered hexagonal screw for height adjustment, an angular compensation calotte consisting of two spherical, aligned metal rings fastened onto the top part, a fastening screw fastened in the bottom part and a thick black elastomer with structured surface for vibration isolation at the bottom, isolated on white background

NBR7525

  • angle compensation
  • highly dynamic machines
  • presses
  • shears
  • punches
  • plastic-injection molding machines
  • compressors
  • pumps

higher isolation grade as compared to version with NBR7516

more
a square, height-adjustable machine mount made of precision-milled metal, adjusted in middle position, consisting of top, middle and bottom part lacquered in silver colour, with the wedge-shaped middle part featuring a protruding centered hexagonal screw for height adjustment, an angular compensation calotte consisting of two spherical, aligned metal rings fastened onto the top part, a fastening screw fastened in the bottom part and a thin black elastomer with smooth surface for non-slip protection at the bottom, isolated on white background

NBR9002

  • angle compensation
  • machining centres
  • transfer lines
  • cnc-machine tools
  • round- and flat grinding machines
  • long-bedded machines with low intrinsic rigidity
  • drilling & milling gear

only non-slip protection

more

further categories

a square, height-adjustable machine mount made of precision-milled metal, adjusted in middle position, consisting of top, middle and bottom part lacquered in silver colour, with the wedge-shaped middle part featuring a protruding centered hexagonal screw for height adjustment, a medium-thick black elastomer with structured surface for vibration damping at the bottom and a thinner black elastomer with structured surface at the top for non-slip protection, isolated on white background

free-standing (FS)

more
a square, height-adjustable machine mount made of precision-milled metal, adjusted in middle position, consisting of top, middle and bottom part lacquered in silver colour, with the wedge-shaped middle part featuring a protruding centered hexagonal screw for height adjustment, two holes for fastening screws in the top part, a fastening screw fastened in the bottom part and a medium-thick black elastomer with smooth surface for vibration damping at the bottom, isolated on white background

bolt-on (BO)

more
a square, height-adjustable machine mount made of precision-milled metal, adjusted in middle position, consisting of top, middle and bottom part lacquered in silver colour, with the wedge-shaped middle part featuring a protruding centered hexagonal screw for height adjustment, two holes for fastening screws in the top part, a fastening screw passing through the bottom part and sticking out on top with a screwhead isolation disc at the top screw end, a thick black elastomer with structured surface for vibration isolation at the bottom and below, a zinc-galvanized ground dovel, isolated on white background

bolt-through (BT)

more
a square, height-adjustable machine mount made of precision-milled metal, adjusted in middle position, consisting of top, middle and bottom part lacquered in silver colour, with the wedge-shaped middle part featuring a protruding centered hexagonal screw for height adjustment, an angular compensation calotte consisting of two spherical, aligned metal rings fastened onto the top part, a fastening screw passing through the bottom part and sticking out on top with a screwhead isolation disc at the top screw end and below, a zinc-galvanized ground dovel, isolated on white background

bolt-through (BT) - with calotte

more

Contact

bwz Schwingungstechnik GmbH
Felix-Wankel-Strasse 31
D-73760 Ostfildern/Nellingen
Germany

tel:   +49 711 / 340 179 0

e-mail: info@bwz-schwingungstechnik.de