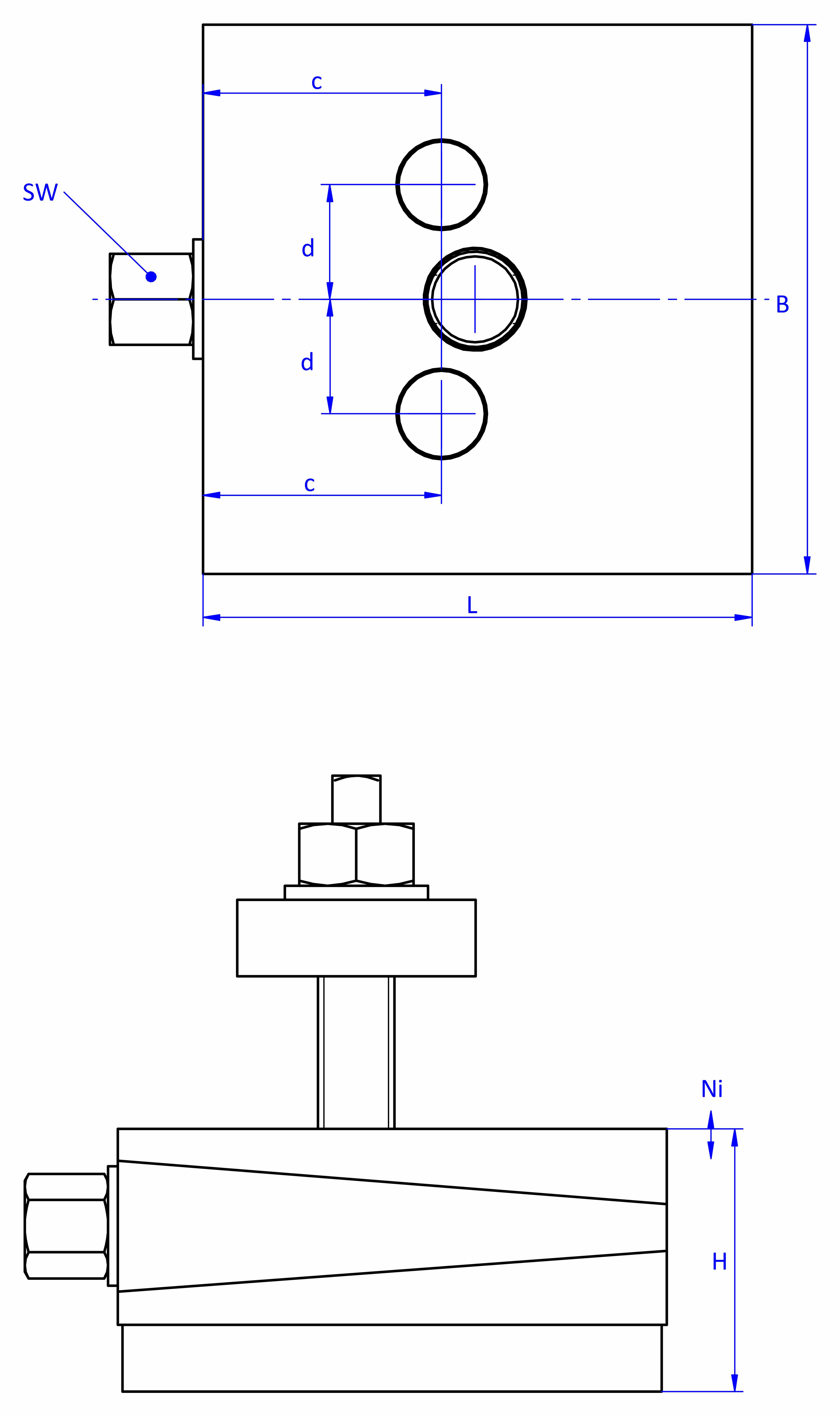
precision wedge mounts bolt-through (BT) - NBR9014

typearticle numberload (daN)L (mm)B (mm)H (mm)Ni (mm)SW (a/i)c (mm)d (mm)drill hole (Ø mm)mass (kg)

FK 02/BT/NBR9014

8005 0002

1800

115

80

51

8

17/8

45

15

14

1,93

FK 04/BT/NBR9014

8009 0002

2600

115

115

56

9

19/10

50

24

18

3,04

FK 05/BT/NBR9014

8012 0002

3100

125

125

53

9

19/10

50

20

18

3,62

FK 07/BT/NBR9014

8016 0002

4500

150

150

62

12

22/12

60

23

18

5,93

FK 07/H/BT/NBR9014

8019 0002

4500

150

150

72

12

22/12

60

23

18

7,30

FK 08/BT/NBR9014

8022 0002

5100

160

160

63

10

24/14

75

25

18

7,28

FK 10/BT/NBR9014

8025 0002

8000

200

200

61

10

24/14

75

27,5

22

11,02

FK 10/H/BT/NBR9014

8028 0002

8000

200

200

89

20

27/14

75

27,5

22

16,20

FK 11/BT/NBR9014

8031 0002

11000

220

250

88

20

27/14

125

62

24

22,37

FK 12/BT/NBR9014

8034 0002

16500

250

330

88

16

27/14

135

117,5  

28

33,78

FK 13/BT/NBR9014

8037 0002

24000

300

400

88

20

27/14

124

70/127

28

43,10

schematic drawing of a bolt-through action machine mount, in the view from the top with two holes in the top and bottom part, and in the side view with a medium-thickness elastomer with smooth surface for vibration damping at the bottom and a fastening screw with a screwhead isolation disc at the top screw end, passing through the bottom part

an illustration depicting the cross-section of a machine frame and a height-adjustable machine mount fixed underneath to the machine frame and into the foundation at the very bottom

further versions

a square, height-adjustable machine mount made of precision-milled metal, adjusted in middle position, consisting of top, middle and bottom part lacquered in silver colour, with the wedge-shaped middle part featuring a protruding centered hexagonal screw for height adjustment, two holes for fastening screws in the top part, a fastening screw passing through the bottom part and sticking out on top with a screwhead isolation disc at the top screw end and below, a zinc-galvanized ground dovel, isolated on white background

without elastomer board

  • machines with high gravity centre
  • machines with strong tipping momentum
  • machines with horizontal thrust
  • machines with long beds
  • measuring plates
  • devices with low intrinsic rigidity
  • as assembly aide
more
a square, height-adjustable machine mount made of precision-milled metal, adjusted in middle position, consisting of top, middle and bottom part lacquered in silver colour, with the wedge-shaped middle part featuring a protruding centered hexagonal screw for height adjustment, two holes for fastening screws in the top part, a fastening screw passing through the bottom part and sticking out on top with a screwhead isolation disc at the top screw end, a medium-thick black elastomer with structured surface for vibration damping at the bottom and below, a zinc-galvanized ground dovel, isolated on white background

NBR8516

  • generic machine tools
  • textile machines
  • graphics machines
  • machines with horizontal thrust
more
a square, height-adjustable machine mount made of precision-milled metal, adjusted in middle position, consisting of top, middle and bottom part lacquered in silver colour, with the wedge-shaped middle part featuring a protruding centered hexagonal screw for height adjustment, two holes for fastening screws in the top part, a fastening screw passing through the bottom part and sticking out on top with a screwhead isolation disc at the top screw end, a medium-thick black elastomer with smooth surface for passive vibration isolation at the bottom and below, a zinc-galvanized ground dovel, isolated on white background

NBR5514

  • passive isolation with
    - machines with high gravity centre
    - metrology gear
    - scales
    - dosage units
    - optical devices
  • critical storey installations
more
a square, height-adjustable machine mount made of precision-milled metal, adjusted in middle position, consisting of top, middle and bottom part lacquered in silver colour, with the wedge-shaped middle part featuring a protruding centered hexagonal screw for height adjustment, two holes for fastening screws in the top part, a fastening screw passing through the bottom part and sticking out on top with a screwhead isolation disc at the top screw end, a medium-thick black elastomer with structured surface for vibration isolation at the bottom and below, a zinc-galvanized ground dovel, isolated on white background

NBR7516

  • highly dynamic machines
  • presses
  • shears
  • punches
  • plastic-injection molding machines
  • compressors
  • pumps
more
a square, height-adjustable machine mount made of precision-milled metal, adjusted in middle position, consisting of top, middle and bottom part lacquered in silver colour, with the wedge-shaped middle part featuring a protruding centered hexagonal screw for height adjustment, two holes for fastening screws in the top part, a fastening screw passing through the bottom part and sticking out on top with a screwhead isolation disc at the top screw end, a thick black elastomer with structured surface for vibration isolation at the bottom and below, a zinc-galvanized ground dovel, isolated on white background

NBR7525

  • highly dynamic machines
  • presses
  • shears
  • punches
  • plastic-injection molding machines
  • compressors
  • pumps

higher isolation grade as compared to version with NBR7516

more
a square, height-adjustable machine mount made of precision-milled metal, adjusted in middle position, consisting of top, middle and bottom part lacquered in silver colour, with the wedge-shaped middle part featuring a protruding centered hexagonal screw for height adjustment, two holes for fastening screws in the top part, a fastening screw passing through the bottom part and sticking out on top with a screwhead isolation disc at the top screw end, a thin black elastomer with smooth surface for non-slip protection at the bottom and below, a zinc-galvanized ground dovel, isolated on white background

NBR9002

  • machining centres
  • transfer lines
  • cnc-machine tools
  • round-and flat grinding machines
  • long-bedded machines with low intrinsic rigidity
  • drilling & milling gear

only non-slip protection

more

further categories

a square, height-adjustable machine mount made of precision-milled metal, adjusted in middle position, consisting of top, middle and bottom part lacquered in silver colour, with the wedge-shaped middle part featuring a protruding centered hexagonal screw for height adjustment, a medium-thick black elastomer with structured surface for vibration damping at the bottom and a thinner black elastomer with structured surface at the top for non-slip protection, isolated on white background

free-standing (FS)

more
a square, height-adjustable machine mount made of precision-milled metal, adjusted in middle position, consisting of top, middle and bottom part lacquered in silver colour, with the wedge-shaped middle part featuring a protruding centered hexagonal screw for height adjustment, two holes for fastening screws in the top part, a fastening screw fastened in the bottom part and a medium-thick black elastomer with smooth surface for vibration damping at the bottom, isolated on white background

bolt-on (BO)

more
a square, height-adjustable machine mount made of precision-milled metal, adjusted in middle position, consisting of top, middle and bottom part lacquered in silver colour, with the wedge-shaped middle part featuring a protruding centered hexagonal screw for height adjustment, an angular compensation calotte consisting of two spherical, aligned metal rings fastened onto the top part, a fastening screw fastened in the bottom part and a thin black elastomer with smooth surface for non-slip protection at the bottom, isolated on white background

bolt-on (BO) - with calotte

more
a square, height-adjustable machine mount made of precision-milled metal, adjusted in middle position, consisting of top, middle and bottom part lacquered in silver colour, with the wedge-shaped middle part featuring a protruding centered hexagonal screw for height adjustment, an angular compensation calotte consisting of two spherical, aligned metal rings fastened onto the top part, a fastening screw passing through the bottom part and sticking out on top with a screwhead isolation disc at the top screw end and below, a zinc-galvanized ground dovel, isolated on white background

bolt-through (BT) - with calotte

more

Contact

bwz Schwingungstechnik GmbH
Felix-Wankel-Strasse 31
D-73760 Ostfildern/Nellingen
Germany

tel:   +49 711 / 340 179 0

e-mail: info@bwz-schwingungstechnik.de