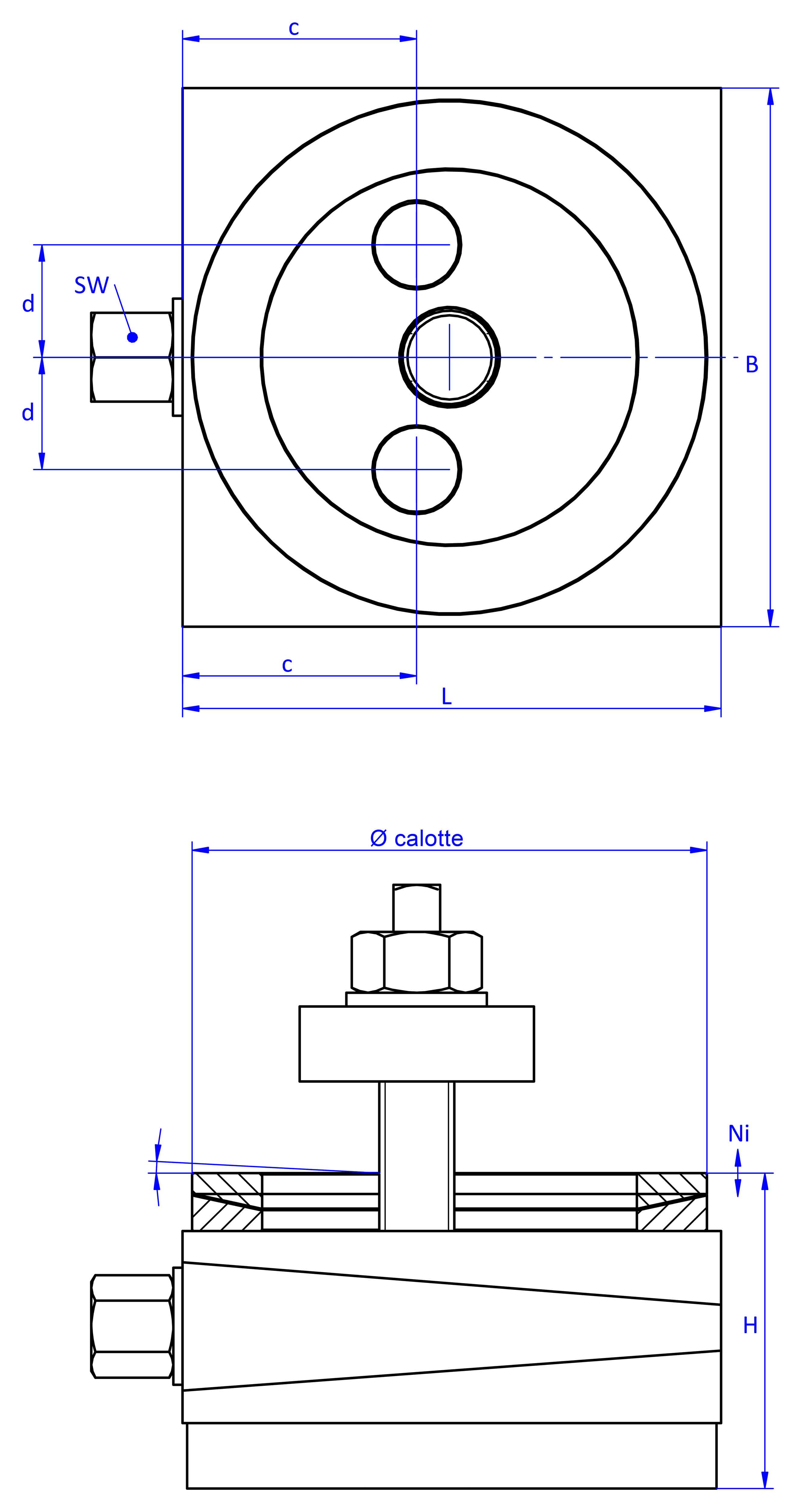
precision wedge mounts bolt-through (BT) with calotte - NBR5514

typearticle numberload (daN)L (mm)B (mm)H (mm)Ni (mm)SW (a/i)c (mm)d (mm)drill hole (mm)calotte (Ø mm)mass (kg)

FK 04/BT/K/NBR5514

8046 0002

660

115

115

68

9

19/10

50

24

18

110

3,48

FK 05/BT/K/NBR5514

8047 0002

780

125

125

65

9

19/10

50

20

18

110

4,06

FK 07/BT/K/NBR5514

8048 0002

1120

150

150

74

12

22/12

60

23

18

110

6,31

FK 07/H/BT/K/NBR5514

8049 0002

1120

150

150

84

12

22/12

60

23

18

110

7,72

FK 08/BT/K/NBR5514

8050 0002

1250

160

160

76

10

24/14

75

25

18

110

7,71

FK 10/BT/K/NBR5514

8051 0002

2000

200

200

73

10

24/14

75

27,5

22

160

11,76

FK 10/H/BT/K/NBR5514

8052 0002

2000

200

200

101

20

27/14

75

27,5

22

160

16,94

schematic drawing of a bolt-through action machine mount, in the view from the top with two holes in the top and bottom part, an angular compensation calotte consisting of two convex / concave metal rings on the top part and in the side view with a medium-thickness elastomer with smooth surface for passive vibration isolation at the bottom and a fastening screw with a screwhead isolation disc at the top screw end, passing through the bottom part

an illustration depicting the cross-section of a machine frame and a height-adjustable machine mount with a two-part angular compensation calotte fixed underneath to the machine frame and into the foundation at the very bottom

further versions

a square, height-adjustable machine mount made of precision-milled metal, adjusted in middle position, consisting of top, middle and bottom part lacquered in silver colour, with the wedge-shaped middle part featuring a protruding centered hexagonal screw for height adjustment, an angular compensation calotte consisting of two spherical, aligned metal rings fastened onto the top part, a fastening screw passing through the bottom part and sticking out on top with a screwhead isolation disc at the top screw end and below, a zinc-galvanized ground dovel, isolated on white background

without elastomer board

  • angle compensation
  • machines with high gravity centre
  • machines with strong tipping momentum
  • machines with horizontal thrust
  • machines with long beds
  • measuring plates
  • devices with low intrinsic rigidity
  • as assembly aide
more
a square, height-adjustable machine mount made of precision-milled metal, adjusted in middle position, consisting of top, middle and bottom part lacquered in silver colour, with the wedge-shaped middle part featuring a protruding centered hexagonal screw for height adjustment, an angular compensation calotte consisting of two spherical, aligned metal rings fastened onto the top part, a fastening screw passing through the bottom part and sticking out on top with a screwhead isolation disc at the top screw end, a medium-thick black elastomer with structured surface for vibration damping at the bottom and below, a zinc-galvanized ground dovel, isolated on white background

NBR8516

  • angle compensation
  • generic machine tools
  • textile machines
  • graphics machines
  • machines with horizontal thrust
more
a square, height-adjustable machine mount made of precision-milled metal, adjusted in middle position, consisting of top, middle and bottom part lacquered in silver colour, with the wedge-shaped middle part featuring a protruding centered hexagonal screw for height adjustment, an angular compensation calotte consisting of two spherical, aligned metal rings fastened onto the top part, a fastening screw passing through the bottom part and sticking out on top with a screwhead isolation disc at the top screw end, a medium-thick black elastomer with smooth surface for vibration damping at the bottom and below, a zinc-galvanized ground dovel, isolated on white background

NBR9014

  • angle compensation
  • machining centres
  • transfer lines
  • cnc-machine tools
  • round- and flat grinding machines
  • long-bedded machines with low intrinsic rigidity
  • drilling & milling gear
more
a square, height-adjustable machine mount made of precision-milled metal, adjusted in middle position, consisting of top, middle and bottom part lacquered in silver colour, with the wedge-shaped middle part featuring a protruding centered hexagonal screw for height adjustment, an angular compensation calotte consisting of two spherical, aligned metal rings fastened onto the top part, a fastening screw passing through the bottom part and sticking out on top with a screwhead isolation disc at the top screw end, a medium-thick black elastomer with structured surface for vibration isolation at the bottom and below, a zinc-galvanized ground dovel, isolated on white background

NBR7516

  • angle compensation
  • highly dynamic machines
  • presses
  • shears
  • punches
  • plastic-injection molding machines
  • compressors
  • pumps
more
a square, height-adjustable machine mount made of precision-milled metal, adjusted in middle position, consisting of top, middle and bottom part lacquered in silver colour, with the wedge-shaped middle part featuring a protruding centered hexagonal screw for height adjustment, an angular compensation calotte consisting of two spherical, aligned metal rings fastened onto the top part, a fastening screw passing through the bottom part and sticking out on top with a screwhead isolation disc at the top screw end, a thick black elastomer with structured surface for vibration isolation at the bottom and below, a zinc-galvanized ground dovel, isolated on white background

NBR7525

  • angle compensation
  • highly dynamic machines
  • presses
  • shears
  • punches
  • plastic-injection molding machines
  • compressors
  • pumps

higher isolation grade as compared to version with NBR7516

more
a square, height-adjustable machine mount made of precision-milled metal, adjusted in middle position, consisting of top, middle and bottom part lacquered in silver colour, with the wedge-shaped middle part featuring a protruding centered hexagonal screw for height adjustment, an angular compensation calotte consisting of two spherical, aligned metal rings fastened onto the top part, a fastening screw passing through the bottom part and sticking out on top with a screwhead isolation disc at the top screw end, a thin black elastomer with smooth surface for non-slip protection at the bottom and below, a zinc-galvanized ground dovel, isolated on white background

NBR9002

  • angle compensation
  • machining centres
  • transfer lines
  • cnc-machine tools
  • round- and flat grinding machines
  • long-bedded machines with low intrinsic rigidity
  • drilling & milling gear

only non-slip protection

more

further categories

a square, height-adjustable machine mount made of precision-milled metal, adjusted in middle position, consisting of top, middle and bottom part lacquered in silver colour, with the wedge-shaped middle part featuring a protruding centered hexagonal screw for height adjustment, a medium-thick black elastomer with structured surface for vibration damping at the bottom and a thinner black elastomer with structured surface at the top for non-slip protection, isolated on white background

free-standing (FS)

more
a square, height-adjustable machine mount made of precision-milled metal, adjusted in middle position, consisting of top, middle and bottom part lacquered in silver colour, with the wedge-shaped middle part featuring a protruding centered hexagonal screw for height adjustment, two holes for fastening screws in the top part, a fastening screw fastened in the bottom part and a medium-thick black elastomer with smooth surface for vibration damping at the bottom, isolated on white background

bolt-on (BO)

more
a square, height-adjustable machine mount made of precision-milled metal, adjusted in middle position, consisting of top, middle and bottom part lacquered in silver colour, with the wedge-shaped middle part featuring a protruding centered hexagonal screw for height adjustment, two holes for fastening screws in the top part, a fastening screw passing through the bottom part and sticking out on top with a screwhead isolation disc at the top screw end, a thick black elastomer with structured surface for vibration isolation at the bottom and below, a zinc-galvanized ground dovel, isolated on white background

bolt-through (BT)

more
a square, height-adjustable machine mount made of precision-milled metal, adjusted in middle position, consisting of top, middle and bottom part lacquered in silver colour, with the wedge-shaped middle part featuring a protruding centered hexagonal screw for height adjustment, an angular compensation calotte consisting of two spherical, aligned metal rings fastened onto the top part, a fastening screw fastened in the bottom part and a thin black elastomer with smooth surface for non-slip protection at the bottom, isolated on white background

bolt-on (BO) - with calotte

more

Contact

bwz Schwingungstechnik GmbH
Felix-Wankel-Strasse 31
D-73760 Ostfildern/Nellingen
Germany

tel:   +49 711 / 340 179 0

e-mail: info@bwz-schwingungstechnik.de