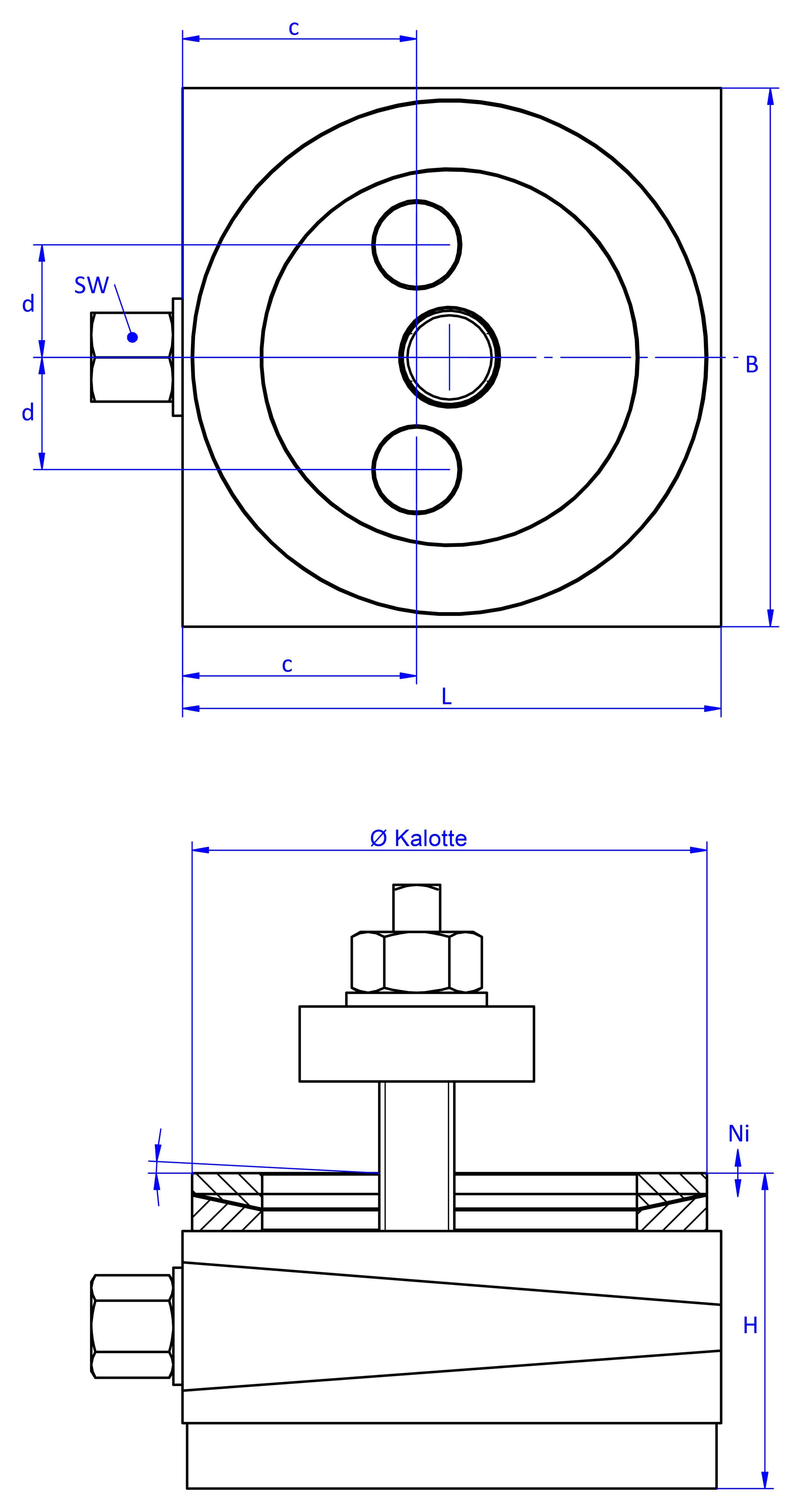
Präzisionskeilschuhe durchschraubbar (BT) mit Kalotte - NBR5514

TypArtikelnummerBelastung (daN)L (mm)B (mm)H (mm)Ni (mm)SW (a/i)c (mm)d (mm)Bohrung (mm)Kalotte (Ø mm)Masse (Kg)

FK 04/BT/K/NBR5514

8046 0002

660

115

115

68

9

19/10

50

24

18

110

3,48

FK 05/BT/K/NBR5514

8047 0002

780

125

125

65

9

19/10

50

20

18

110

4,06

FK 07/BT/K/NBR5514

8048 0002

1120

150

150

74

12

22/12

60

23

18

110

6,31

FK 07/H/BT/K/NBR5514

8049 0002

1120

150

150

84

12

22/12

60

23

18

110

7,72

FK 08/BT/K/NBR5514

8050 0002

1250

160

160

76

10

24/14

75

25

18

110

7,71

FK 10/BT/K/NBR5514

8051 0002

2000

200

200

73

10

24/14

75

27,5

22

160

11,76

FK 10/H/BT/K/NBR5514

8052 0002

2000

200

200

101

20

27/14

75

27,5

22

160

16,94

schematische Zeichnung eines durchschraubbaren Maschinenschuhs, in der Draufsicht mit zwei Durchgangslöchern im Oberteil und Unterteil, einer aus zwei aufeinander liegenden Metallringen bestehenden Winkelkalotte auf dem Oberteil, und in der Seitenansicht mit mitteldickem Elastomer ohne Profilierung zur passiven Schwingungsisolierung unten sowie einer durch das Unterteil durchgehenden Befestigungsschraube mit Isolierscheibe

eine Illustration, welche einen Querschnitt durch einen Maschinenrahmen, einen darunterliegenden, mit dem Maschinenrahmen und dem Fundament verschraubtem höhenverstellbaren Maschinenfuß mit zweiteiliger Winkelkalotte zeigt

weitere Ausführungen

aus Ober-, Mittel- und Unterteil bestehender, quadratischer, höhenverstellbarer Maschinenschuh aus plangefrästem Metall, eingestellt auf mittlere Höhe, silber-grau lackiert, mit keilförmigem Mittelteil mit mittig auf der Seite platzierter Sechskantschraube zur Höhenverstellung, einer aus zwei sphärischen, gerade aufeinander liegenden Metallringen bestehenden Winkelkalotte auf dem Oberteil, einer durch das Unterteil durchgehenden, nach oben herausragenden Befestigungsschraube mit Isolierscheibe und darunter ein verzinkter Dübel zur Bodenbefestigung, freigestellt auf weißem Hintergrund

ohne Elastomerbelag

  • Ausgleich von Winkelfehlern
  • Maschinen mit hoher Schwerpunktlage
  • Maschinen mit starken Kippmomenten
  • Maschinen mit Horizontalschüben
  • Langbettmaschinen
  • Messplatten
  • bei geringer Eigensteifigkeit
  • als Montagehilfe
Mehr
aus Ober-, Mittel- und Unterteil bestehender, quadratischer, höhenverstellbarer Maschinenschuh aus plangefrästem Metall, eingestellt auf mittlere Höhe, silber-grau lackiert, mit keilförmigem Mittelteil mit mittig auf der Seite platzierter Sechskantschraube zur Höhenverstellung, einer aus zwei sphärischen, gerade aufeinander liegenden Metallringen bestehenden Winkelkalotte auf dem Oberteil, einer durch das Unterteil durchgehenden, nach oben herausragenden Befestigungsschraube mit Isolierscheibe, mitteldickem, schwarzem Elastomer mit Profilierung zur Schwingungsdämpfung unten und darunter ein verzinkter Dübel zur Bodenbefestigung, freigestellt auf weißem Hintergrund

NBR8516

  • Ausgleich von Winkelfehlern
  • allgemeine Werkzeugmaschinen
  • Textilmaschinen
  • grafische Maschinen
  • Maschinen mit Horizontalschüben
Mehr
aus Ober-, Mittel- und Unterteil bestehender, quadratischer, höhenverstellbarer Maschinenschuh aus plangefrästem Metall, eingestellt auf mittlere Höhe, silber-grau lackiert, mit keilförmigem Mittelteil mit mittig auf der Seite platzierter Sechskantschraube zur Höhenverstellung, einer aus zwei sphärischen, gerade aufeinander liegenden Metallringen bestehenden Winkelkalotte auf dem Oberteil, einer durch das Unterteil durchgehenden, nach oben herausragenden Befestigungsschraube mit Isolierscheibe, mitteldickem, schwarzem Elastomer ohne Profilierung zur Schwingungsdämpfung unten und darunter ein verzinkter Dübel zur Bodenbefestigung, freigestellt auf weißem Hintergrund

NBR9014

  • Ausgleich von Winkelfehlern
  • Bearbeitungszentren
  • Transferstraßen
  • CNC-Werkzeugmaschinen
  • Rund- und Flachschleifmaschinen
  • Langbettmaschinen mit geringer Eigensteifigkeit
  • Bohr- und Fräswerke
Mehr
aus Ober-, Mittel- und Unterteil bestehender, quadratischer, höhenverstellbarer Maschinenschuh aus plangefrästem Metall, eingestellt auf mittlere Höhe, silber-grau lackiert, mit keilförmigem Mittelteil mit mittig auf der Seite platzierter Sechskantschraube zur Höhenverstellung, einer aus zwei sphärischen, gerade aufeinander liegenden Metallringen bestehenden Winkelkalotte auf dem Oberteil, einer durch das Unterteil durchgehenden, nach oben herausragenden Befestigungsschraube mit Isolierscheibe, mitteldickem, schwarzem Elastomer mit Profilierung zur Schwingungsisolierung unten und darunter ein verzinkter Dübel zur Bodenbefestigung, freigestellt auf weißem Hintergrund

NBR7516

  • Ausgleich von Winkelfehlern
  • hochdynamische Maschinen
  • Pressen
  • Scheren
  • Stanzen
  • Kunststoffspritzmaschinen
  • Kompressoren
  • Pumpen
Mehr
aus Ober-, Mittel- und Unterteil bestehender, quadratischer, höhenverstellbarer Maschinenschuh aus plangefrästem Metall, eingestellt auf mittlere Höhe, silber-grau lackiert, mit keilförmigem Mittelteil mit mittig auf der Seite platzierter Sechskantschraube zur Höhenverstellung, einer aus zwei sphärischen, gerade aufeinander liegenden Metallringen bestehenden Winkelkalotte auf dem Oberteil, einer durch das Unterteil durchgehenden, nach oben herausragenden Befestigungsschraube mit Isolierscheibe, dickem, schwarzem Elastomer mit Profilierung zur Schwingungsisolierung unten und darunter ein verzinkter Dübel zur Bodenbefestigung, freigestellt auf weißem Hintergrund

NBR7525

  • Ausgleich von Winkelfehlern
  • hochdynamische Maschinen
  • Pressen
  • Scheren
  • Stanzen
  • Kunststoffspritzmaschinen
  • Kompressoren
  • Pumpen

höhere Isolierwirkung als Ausführung mit NBR7516

Mehr
aus Ober-, Mittel- und Unterteil bestehender, quadratischer, höhenverstellbarer Maschinenschuh aus plangefrästem Metall, eingestellt auf mittlere Höhe, silber-grau lackiert, mit keilförmigem Mittelteil mit mittig auf der Seite platzierter Sechskantschraube zur Höhenverstellung, einer aus zwei sphärischen, gerade aufeinander liegenden Metallringen bestehenden Winkelkalotte auf dem Oberteil, einer durch das Unterteil durchgehenden, nach oben herausragenden Befestigungsschraube mit Isolierscheibe, dünnem, schwarzem Elastomer ohne Profilierung für Gleitschutz unten und darunter ein verzinkter Dübel zur Bodenbefestigung, freigestellt auf weißem Hintergrund

NBR9002

  • Ausgleich von Winkelfehlern
  • Bearbeitungszentren
  • Transferstraßen
  • CNC-Werkzeugmaschinen
  • Rund- und Flachschleifmaschinen
  • Langbettmaschinen mit geringer Eigensteifigkeit
  • Bohr- und Fräswerke

nur Gleitschutz

Mehr

weitere Kategorien

aus Ober-, Mittel- und Unterteil bestehender, quadratischer, höhenverstellbarer Maschinenschuh aus plangefrästem Metall, eingestellt auf mittlere Höhe, silber-grau lackiert, mit keilförmigem Mittelteil mit mittig auf der Seite platzierter Sechskantschraube zur Höhenverstellung, mitteldickem, schwarzem Elastomer mit Profilierung zur Schwingungsdämpfung unten und dünnerem schwarzem Elastomer mit Profilierung für Gleitschutz oben, freigestellt auf weißem Hintergrund

freistehend (FS)

Mehr
aus Ober-, Mittel- und Unterteil bestehender, quadratischer, höhenverstellbarer Maschinenschuh aus plangefrästem Metall, eingestellt auf mittlere Höhe, silber-grau lackiert, mit keilförmigem Mittelteil mit mittig auf der Seite platzierter Sechskantschraube zur Höhenverstellung, zwei Löchern für Befestigungsschrauben im Oberteil, einer im Unterteil verschraubten Befestigungsschraube und mitteldickem, schwarzem Elastomer ohne Profilierung zur Schwingungsdämpfung unten, freigestellt auf weißem Hintergrund

anschraubbar (BO)

Mehr
aus Ober-, Mittel- und Unterteil bestehender, quadratischer, höhenverstellbarer Maschinenschuh aus plangefrästem Metall, eingestellt auf mittlere Höhe, silber-grau lackiert, mit keilförmigem Mittelteil mit mittig auf der Seite platzierter Sechskantschraube zur Höhenverstellung, zwei Löchern für Befestigungsschrauben im Oberteil, einer durch das Unterteil durchgehenden, nach oben herausragenden Befestigungsschraube mit Isolierscheibe, dickem, schwarzem Elastomer mit Profilierung zur Schwingungsisolierung unten und darunter einem verzinktem Bodendübel, freigestellt auf weißem Hintergrund

durchschraubbar (BT)

Mehr
aus Ober-, Mittel- und Unterteil bestehender, quadratischer, höhenverstellbarer Maschinenschuh aus plangefrästem Metall, eingestellt auf mittlere Höhe, silber-grau lackiert, mit keilförmigem Mittelteil mit mittig auf der Seite platzierter Sechskantschraube zur Höhenverstellung, einer aus zwei sphärischen, gerade aufeinander liegenden Metallringen bestehenden Winkelkalotte auf dem Oberteil, einer im Unterteil verschraubten Befestigungsschraube und dünnem, schwarzem Elastomer ohne Profilierung für Gleitschutz unten, freigestellt auf weißem Hintergrund

anschraubbar (BO) - mit Kalotte

Mehr

Kontakt

bwz Schwingungstechnik GmbH
Felix-Wankel-Strasse 31
D-73760 Ostfildern/Nellingen

Tel:   +49 711 / 340 179 0

E-Mail:
info@bwz-schwingungstechnik.de