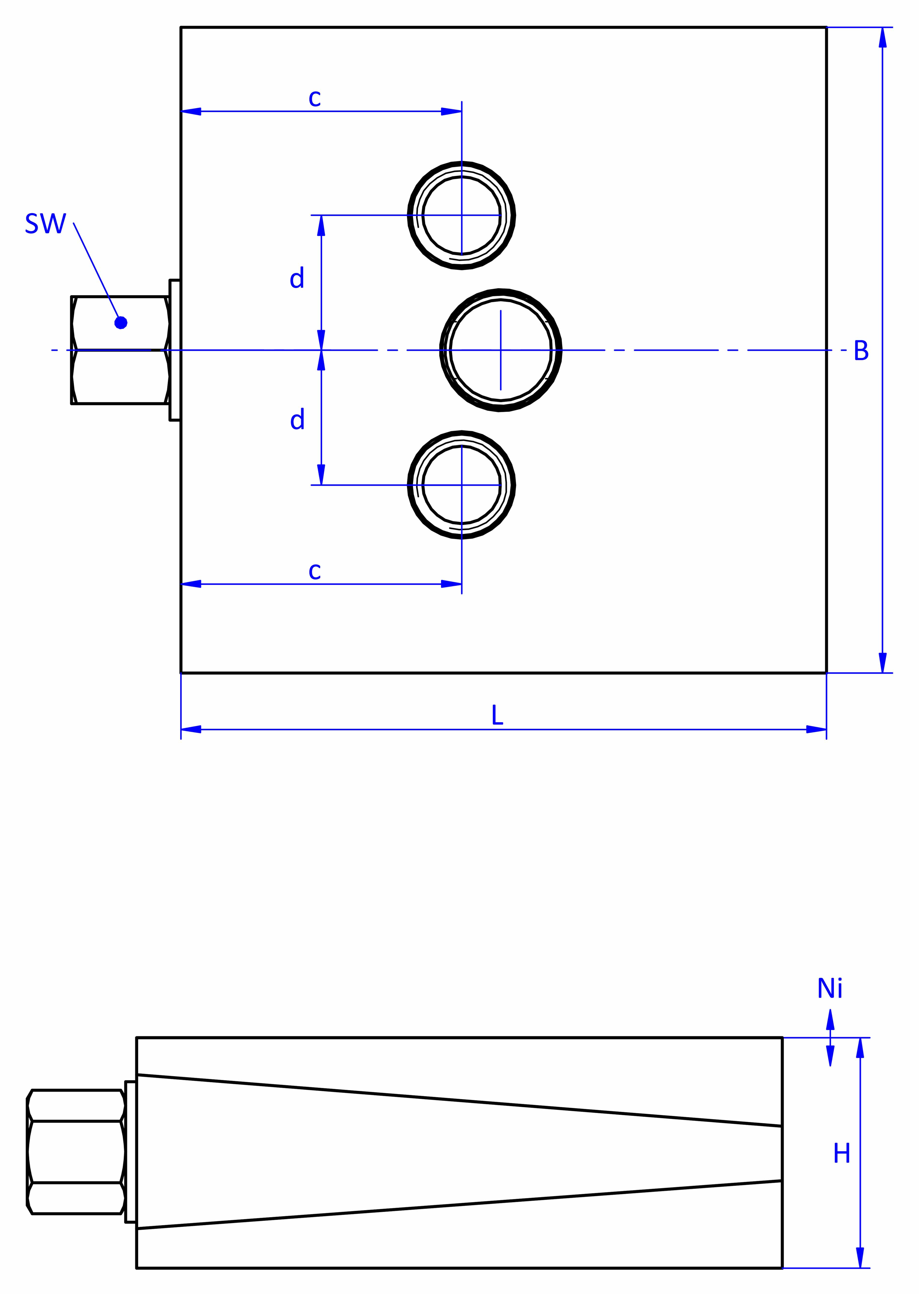
Präzisionskeilschuhe freistehend (FS) - ohne Elastomerbeläge

Typ ohne BelagArtikelnummerBelastung (daN)L (mm)B (mm)H (mm)Ni (mm)SW (a/i)c (mm)d (mm)Masse (Kg)

FK 01/FS

8002 0000

2000

105

55

36

8

17/8

-

-

1,13

FK 02/FS

8003 0000

3200

115

80

37

8

17/8

45

15

1,76

FK 03/FS

8006 0000

4000

150

75

37

9

19/10

-

-

2,43

FK 04/FS

8007 0000

4600

115

115

41

9

19/10

50

24

2,80

FK 05/FS

8010 0000

5500

125

125

38

9

19/10

50

20

3,34

FK 06/FS

8013 0000

6500

200

95

47

10

24/14

-

-

5,17

FK 07/FS

8014 0000

7800

150

150

47

12

22/12

60

23

5,54

FK 07/H/FS

8017 0000

7800

150

150

57

12

22/12

60

23

6,93

FK 08/FS

8020 0000

9000

160

160

49

10

24/14

75

25

6,88

FK 10/FS

8023 0000

14000

200

200

46

10

24/14

75

27,5

10,30

FK 10/H/FS

8026 0000

14000

200

200

74

20

27/14

75

27,5

15,50

FK 11/FS

8029 0000

19000

220

250

74

20

27/14

125

62

21,43

FK 12/FS

8032 0000

28000

250

330

74

16

27/14

135

117,5  

32,35

FK 13/FS

8035 0000

45000

300

400

74

20

27/14

124

70/127

41,05

schematische Zeichnung eines freistehenden Maschinenschuhs, in der Draufsicht mit zwei Durchgangslöchern im Oberteil und zwei Gewindebohrungen im Unterteil, und in der Seitenansicht

eine Illustration, welche einen Querschnitt durch einen Maschinenrahmen, einen darunterliegenden höhenverstellbaren Maschinenfuß mit oben und unten befindlichem schwingungsdämpfendem Elastomer und das Fundament zeigt

weitere Ausführungen

aus Ober-, Mittel- und Unterteil bestehender, quadratischer, höhenverstellbarer Maschinenschuh aus plangefrästem Metall, eingestellt auf mittlere Höhe, silber-grau lackiert, mit keilförmigem Mittelteil mit mittig auf der Seite platzierter Sechskantschraube zur Höhenverstellung, mitteldickem, schwarzem Elastomer mit Profilierung zur Schwingungsdämpfung unten und dünnerem schwarzem Elastomer mit Profilierung für Gleitschutz oben, freigestellt auf weißem Hintergrund

NBR8516/NBR9007

  • allgemeine Werkzeugmaschinen
  • Textilmaschinen
  • grafische Maschinen
  • Maschinen mit Horizontalschüben
Mehr
aus Ober-, Mittel- und Unterteil bestehender, quadratischer, höhenverstellbarer Maschinenschuh aus plangefrästem Metall, eingestellt auf mittlere Höhe, silber-grau lackiert, mit keilförmigem Mittelteil mit mittig auf der Seite platzierter Sechskantschraube zur Höhenverstellung, mitteldickem, schwarzem Elastomer ohne Profilierung zur Schwingungsdämpfung unten und dünnerem schwarzem Elastomer ohne Profilierung für Gleitschutz oben, freigestellt auf weißem Hintergrund

NBR9014/NBR9005

  • Bearbeitungszentren
  • Transferstraßen
  • CNC-Werkzeugmaschinen
  • Rund- und Flachschleifmaschinen
  • Langbettmaschinen mit geringer Eigensteifigkeit
  • Bohr- und Fräswerke
Mehr
aus Ober-, Mittel- und Unterteil bestehender, quadratischer, höhenverstellbarer Maschinenschuh aus plangefrästem Metall, eingestellt auf mittlere Höhe, silber-grau lackiert, mit keilförmigem Mittelteil mit mittig auf der Seite platzierter Sechskantschraube zur Höhenverstellung, mitteldickem, schwarzem Elastomer ohne Profilierung zur passiven Schwingungsisolierung unten und dünnerem schwarzem Elastomer ohne Profilierung für Gleitschutz oben, freigestellt auf weißem Hintergrund

NBR5514/NBR9005

  • Passivisolierung bei
    - Messmaschinen
    - Waagen
    - Dosiergeräten
    - optischen Geräten
  • kritische Geschossaufstellungen

 

Mehr
aus Ober-, Mittel- und Unterteil bestehender, quadratischer, höhenverstellbarer Maschinenschuh aus plangefrästem Metall, eingestellt auf mittlere Höhe, silber-grau lackiert, mit keilförmigem Mittelteil mit mittig auf der Seite platzierter Sechskantschraube zur Höhenverstellung, mitteldickem, schwarzem Elastomer mit Profilierung zur Schwingungsisolierung unten und dünnerem schwarzem Elastomer mit Profilierung für Gleitschutz oben, freigestellt auf weißem Hintergrund

NBR7516/NBR9007

  • hochdynamische Maschinen
  • Pressen
  • Scheren
  • Stanzen
  • Kunststoffspritzmaschinen
  • Kompressoren
  • Pumpen
Mehr
aus Ober-, Mittel- und Unterteil bestehender, quadratischer, höhenverstellbarer Maschinenschuh aus plangefrästem Metall, eingestellt auf mittlere Höhe, silber-grau lackiert, mit keilförmigem Mittelteil mit mittig auf der Seite platzierter Sechskantschraube zur Höhenverstellung, dickem, schwarzem Elastomer mit Profilierung zur Schwingungsisolierung unten und dünnerem schwarzem Elastomer mit Profilierung für Gleitschutz oben, freigestellt auf weißem Hintergrund

NBR7525/NBR9007

  • hochdynamische Maschinen
  • Pressen
  • Scheren
  • Stanzen
  • Kunststoffspritzmaschinen
  • Kompressoren
  • Pumpen

höhere Isolierwirkung als Ausführung mit NBR7516 unten

Mehr
aus Ober-, Mittel- und Unterteil bestehender, quadratischer, höhenverstellbarer Maschinenschuh aus plangefrästem Metall, eingestellt auf mittlere Höhe, silber-grau lackiert, mit keilförmigem Mittelteil mit mittig auf der Seite platzierter Sechskantschraube zur Höhenverstellung und dünnem schwarzem Elastomer ohne Profilierung für Gleitschutz unten und oben, freigestellt auf weißem Hintergrund

NBR9002/NBR9002

  • Bearbeitungszentren
  • Transferstraßen
  • CNC-Werkzeugmaschinen
  • Rund- und Flachschleifmaschinen
  • Langbettmaschinen mit geringer Eigensteifigkeit
  • Bohr- und Fräswerke

nur Gleitschutz

Mehr

weitere Kategorien

aus Ober-, Mittel- und Unterteil bestehender, quadratischer, höhenverstellbarer Maschinenschuh aus plangefrästem Metall, eingestellt auf mittlere Höhe, silber-grau lackiert, mit keilförmigem Mittelteil mit mittig auf der Seite platzierter Sechskantschraube zur Höhenverstellung, zwei Löchern für Befestigungsschrauben im Oberteil, einer im Unterteil verschraubten Befestigungsschraube und mitteldickem, schwarzem Elastomer ohne Profilierung zur Schwingungsdämpfung unten, freigestellt auf weißem Hintergrund

anschraubbar (BO)

Mehr
aus Ober-, Mittel- und Unterteil bestehender, quadratischer, höhenverstellbarer Maschinenschuh aus plangefrästem Metall, eingestellt auf mittlere Höhe, silber-grau lackiert, mit keilförmigem Mittelteil mit mittig auf der Seite platzierter Sechskantschraube zur Höhenverstellung, zwei Löchern für Befestigungsschrauben im Oberteil, einer durch das Unterteil durchgehenden, nach oben herausragenden Befestigungsschraube mit Isolierscheibe, dickem, schwarzem Elastomer mit Profilierung zur Schwingungsisolierung unten und darunter einem verzinktem Bodendübel, freigestellt auf weißem Hintergrund

durchschraubbar (BT)

Mehr
aus Ober-, Mittel- und Unterteil bestehender, quadratischer, höhenverstellbarer Maschinenschuh aus plangefrästem Metall, eingestellt auf mittlere Höhe, silber-grau lackiert, mit keilförmigem Mittelteil mit mittig auf der Seite platzierter Sechskantschraube zur Höhenverstellung, einer aus zwei sphärischen, gerade aufeinander liegenden Metallringen bestehenden Winkelkalotte auf dem Oberteil, einer im Unterteil verschraubten Befestigungsschraube und dünnem, schwarzem Elastomer ohne Profilierung für Gleitschutz unten, freigestellt auf weißem Hintergrund

anschraubbar (BO) - mit Kalotte

Mehr
aus Ober-, Mittel- und Unterteil bestehender, quadratischer, höhenverstellbarer Maschinenschuh aus plangefrästem Metall, eingestellt auf mittlere Höhe, silber-grau lackiert, mit keilförmigem Mittelteil mit mittig auf der Seite platzierter Sechskantschraube zur Höhenverstellung, einer aus zwei sphärischen, gerade aufeinander liegenden Metallringen bestehenden Winkelkalotte auf dem Oberteil, einer durch das Unterteil durchgehenden, nach oben herausragenden Befestigungsschraube mit Isolierscheibe und darunter ein verzinkter Dübel zur Bodenbefestigung, freigestellt auf weißem Hintergrund

durchschraubbar (BT) - mit Kalotte

Mehr

Kontakt

bwz Schwingungstechnik GmbH
Felix-Wankel-Strasse 31
D-73760 Ostfildern/Nellingen

Tel:   +49 711 / 340 179 0

E-Mail:
info@bwz-schwingungstechnik.de