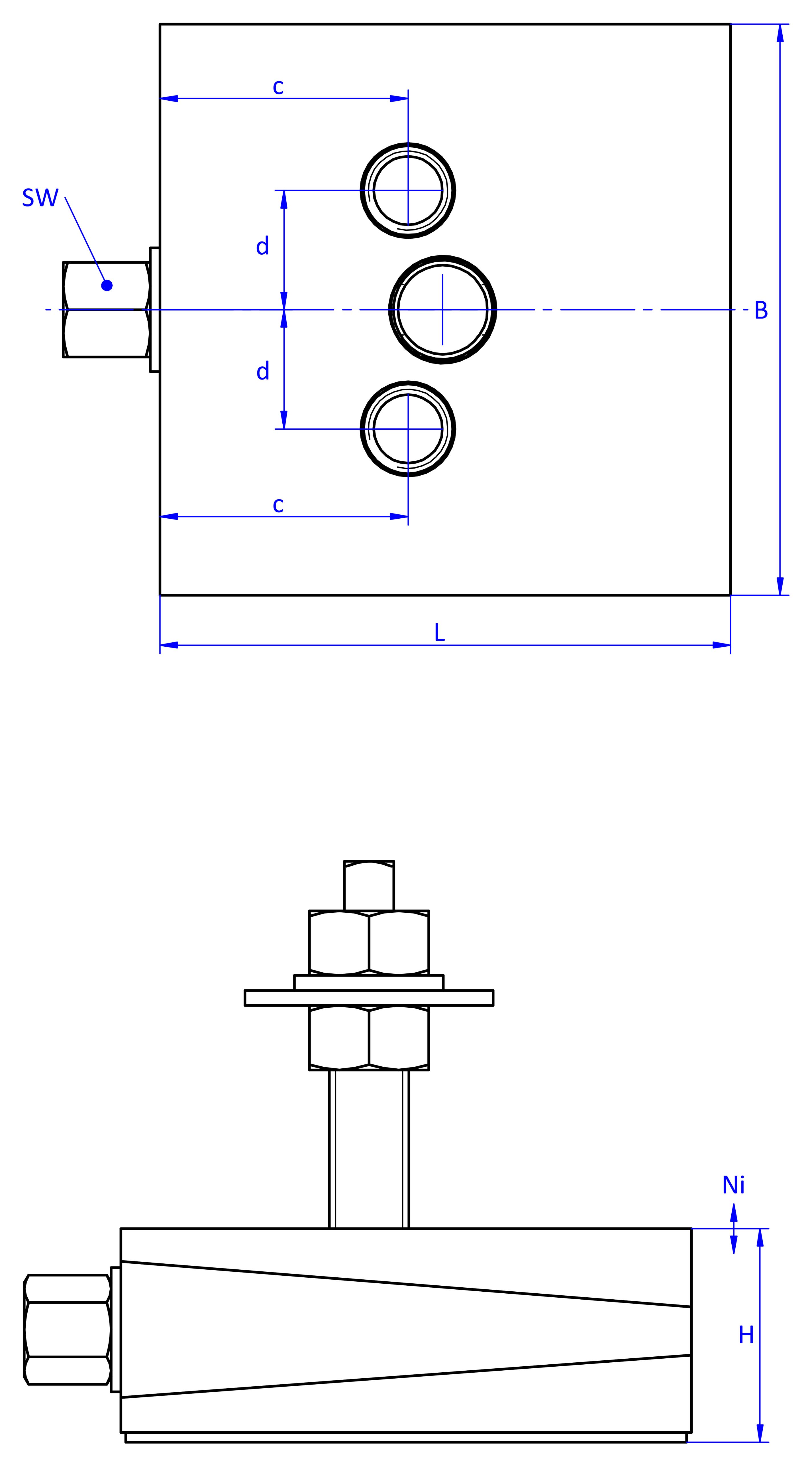
Präzisionskeilschuhe anschraubbar (BO) - NBR9002

TypArtikelnummerBelastung (daN)L (mm)B (mm)H (mm)Ni (mm)SW (a/i)c (mm)d (mm)Gewinde (anschraubbar unten)Masse (Kg)

FK 02/BO/NBR9002

8004 0006

1800

115

80

39

8

17/8

45

15

M12

1,78

FK 04/BO/NBR9002

8008 0006

2600

115

115

43

9

19/10

50

24

M16

2,84

FK 05/BO/NBR9002

8011 0006

3100

125

125

40

9

19/10

50

20

M16

3,39

FK 07/BO/NBR9002

8015 0006

4500

150

150

49

12

22/12

60

23

M16

5,60

FK 07/H/BO/NBR9002

8018 0006

4500

150

150

59

12

22/12

60

23

M16

6,99

FK 08/BO/NBR9002

8021 0006

5100

160

160

51

10

24/14

75

25

M16

6,96

FK 10/BO/NBR9002

8024 0006

8000

200

200

48

10

24/14

75

27,5

M20

10,41

FK 10/H/BO/NBR9002

8027 0006

8000

200

200

76

20

27/14

75

27,5

M20

15,60

FK 11/BO/NBR9002

8030 0006

11000

220

250

76

20

27/14

125

62

M20

21,60

FK 12/BO/NBR9002

8033 0006

16500

250

330

76

16

27/14

135

117,5  

M24

32,59

FK 13/BO/NBR9002

8036 0006

24000

300

400

76

20

27/14

124

70/127

M24

41,42

schematische Zeichnung eines anschraubbaren Maschinenschuhs, in der Draufsicht mit zwei Durchgangslöchern im Oberteil und zwei Gewindebohrungen im Unterteil, und in der Seitenansicht mit dünnem Elastomer ohne Profilierung als Gleitschutz unten sowie einer im Unterteil verschraubten Befestigungsschraube

eine Illustration, welche einen Querschnitt durch einen Maschinenrahmen, einen darunterliegenden, mit dem Maschinenrahmen verschraubten höhenverstellbaren Maschinenfuß und das Fundament zeigt

weitere Ausführungen

aus Ober-, Mittel- und Unterteil bestehender, quadratischer, höhenverstellbarer Maschinenschuh aus plangefrästem Metall, eingestellt auf mittlere Höhe, silber-grau lackiert, mit keilförmigem Mittelteil mit mittig auf der Seite platzierter Sechskantschraube zur Höhenverstellung, zwei Löchern für Befestigungsschrauben im Oberteil und einer im Unterteil verschraubten Befestigungsschraube, freigestellt auf weißem Hintergrund

ohne Elastomerbelag

  • Langbettmaschinen
  • Messplatten
  • bei geringer Eigensteifigkeit
  • als Montagehilfe
Mehr
aus Ober-, Mittel- und Unterteil bestehender, quadratischer, höhenverstellbarer Maschinenschuh aus plangefrästem Metall, eingestellt auf mittlere Höhe, silber-grau lackiert, mit keilförmigem Mittelteil mit mittig auf der Seite platzierter Sechskantschraube zur Höhenverstellung, zwei Löchern für Befestigungsschrauben im Oberteil, einer im Unterteil verschraubten Befestigungsschraube und mitteldickem, schwarzem Elastomer mit Profilierung zur Schwingungsdämpfung unten, freigestellt auf weißem Hintergrund

NBR8516

  • allgemeine Werkzeugmaschinen
  • Textilmaschinen
  • grafische Maschinen
  • Maschinen mit Horizontalschüben
Mehr
aus Ober-, Mittel- und Unterteil bestehender, quadratischer, höhenverstellbarer Maschinenschuh aus plangefrästem Metall, eingestellt auf mittlere Höhe, silber-grau lackiert, mit keilförmigem Mittelteil mit mittig auf der Seite platzierter Sechskantschraube zur Höhenverstellung, zwei Löchern für Befestigungsschrauben im Oberteil, einer im Unterteil verschraubten Befestigungsschraube und mitteldickem, schwarzem Elastomer ohne Profilierung zur Schwingungsdämpfung unten, freigestellt auf weißem Hintergrund

NBR9014

  • Bearbeitungszentren
  • Transferstraßen
  • CNC-Werkzeugmaschinen
  • Rund- und Flachschleifmaschinen
  • Langbettmaschinen mit geringer Eigensteifigkeit
  • Bohr- und Fräswerke
Mehr
aus Ober-, Mittel- und Unterteil bestehender, quadratischer, höhenverstellbarer Maschinenschuh aus plangefrästem Metall in Mittelstellung, silber-grau lackiert, mit keilförmigem Mittelteil mit mittig auf der Seite platzierter Sechskantschraube zur Höhenverstellung, zwei Löchern für Befestigungsschrauben im Oberteil, einer im Unterteil verschraubten Befestigungsschraube und mitteldickem, schwarzem Elastomer ohne Profilierung zur passiven Schwingungsisolierung unten, freigestellt auf weißem Hintergrund

NBR5514

  • Passivisolierung bei
    - Messmaschinen
    - Waagen
    - Dosiergeräten
    - optischen Geräten
  • kritische Geschossaufstellungen

 

Mehr
aus Ober-, Mittel- und Unterteil bestehender, quadratischer, höhenverstellbarer Maschinenschuh aus plangefrästem Metall, eingestellt auf mittlere Höhe, silber-grau lackiert, mit keilförmigem Mittelteil mit mittig auf der Seite platzierter Sechskantschraube zur Höhenverstellung, zwei Löchern für Befestigungsschrauben im Oberteil, einer im Unterteil verschraubten Befestigungsschraube und mitteldickem, schwarzem Elastomer mit Profilierung zur Schwingungsisolierung unten, freigestellt auf weißem Hintergrund

NBR7516

  • hochdynamische Maschinen
  • Pressen
  • Scheren
  • Stanzen
  • Kunststoffspritzmaschinen
  • Kompressoren
  • Pumpen
Mehr
aus Ober-, Mittel- und Unterteil bestehender, quadratischer, höhenverstellbarer Maschinenschuh aus plangefrästem Metall, eingestellt auf mittlere Höhe, silber-grau lackiert, mit keilförmigem Mittelteil mit mittig auf der Seite platzierter Sechskantschraube zur Höhenverstellung, zwei Löchern für Befestigungsschrauben im Oberteil, einer im Unterteil verschraubten Befestigungsschraube und dickem, schwarzem Elastomer mit Profilierung zur Schwingungsisolierung unten, freigestellt auf weißem Hintergrund

NBR7525

  • hochdynamische Maschinen
  • Pressen
  • Scheren
  • Stanzen
  • Kunststoffspritzmaschinen
  • Kompressoren
  • Pumpen

höhere Isolierwirkung als Ausführung mit NBR7516

Mehr

weitere Kategorien

aus Ober-, Mittel- und Unterteil bestehender, quadratischer, höhenverstellbarer Maschinenschuh aus plangefrästem Metall, eingestellt auf mittlere Höhe, silber-grau lackiert, mit keilförmigem Mittelteil mit mittig auf der Seite platzierter Sechskantschraube zur Höhenverstellung, mitteldickem, schwarzem Elastomer mit Profilierung zur Schwingungsdämpfung unten und dünnerem schwarzem Elastomer mit Profilierung für Gleitschutz oben, freigestellt auf weißem Hintergrund

freistehend (FS)

Mehr
aus Ober-, Mittel- und Unterteil bestehender, quadratischer, höhenverstellbarer Maschinenschuh aus plangefrästem Metall, eingestellt auf mittlere Höhe, silber-grau lackiert, mit keilförmigem Mittelteil mit mittig auf der Seite platzierter Sechskantschraube zur Höhenverstellung, zwei Löchern für Befestigungsschrauben im Oberteil, einer durch das Unterteil durchgehenden, nach oben herausragenden Befestigungsschraube mit Isolierscheibe, dickem, schwarzem Elastomer mit Profilierung zur Schwingungsisolierung unten und darunter einem verzinktem Bodendübel, freigestellt auf weißem Hintergrund

durchschraubbar (BT)

Mehr
aus Ober-, Mittel- und Unterteil bestehender, quadratischer, höhenverstellbarer Maschinenschuh aus plangefrästem Metall, eingestellt auf mittlere Höhe, silber-grau lackiert, mit keilförmigem Mittelteil mit mittig auf der Seite platzierter Sechskantschraube zur Höhenverstellung, einer aus zwei sphärischen, gerade aufeinander liegenden Metallringen bestehenden Winkelkalotte auf dem Oberteil, einer im Unterteil verschraubten Befestigungsschraube und dünnem, schwarzem Elastomer ohne Profilierung für Gleitschutz unten, freigestellt auf weißem Hintergrund

anschraubbar (BO) - mit Kalotte

Mehr
aus Ober-, Mittel- und Unterteil bestehender, quadratischer, höhenverstellbarer Maschinenschuh aus plangefrästem Metall, eingestellt auf mittlere Höhe, silber-grau lackiert, mit keilförmigem Mittelteil mit mittig auf der Seite platzierter Sechskantschraube zur Höhenverstellung, einer aus zwei sphärischen, gerade aufeinander liegenden Metallringen bestehenden Winkelkalotte auf dem Oberteil, einer durch das Unterteil durchgehenden, nach oben herausragenden Befestigungsschraube mit Isolierscheibe und darunter ein verzinkter Dübel zur Bodenbefestigung, freigestellt auf weißem Hintergrund

durchschraubbar (BT) - mit Kalotte

Mehr

Kontakt

bwz Schwingungstechnik GmbH
Felix-Wankel-Strasse 31
D-73760 Ostfildern/Nellingen

Tel:   +49 711 / 340 179 0

E-Mail:
info@bwz-schwingungstechnik.de