Präzisionskeilschuhe anschraubbar (BO) mit Kalotte - NBR9014

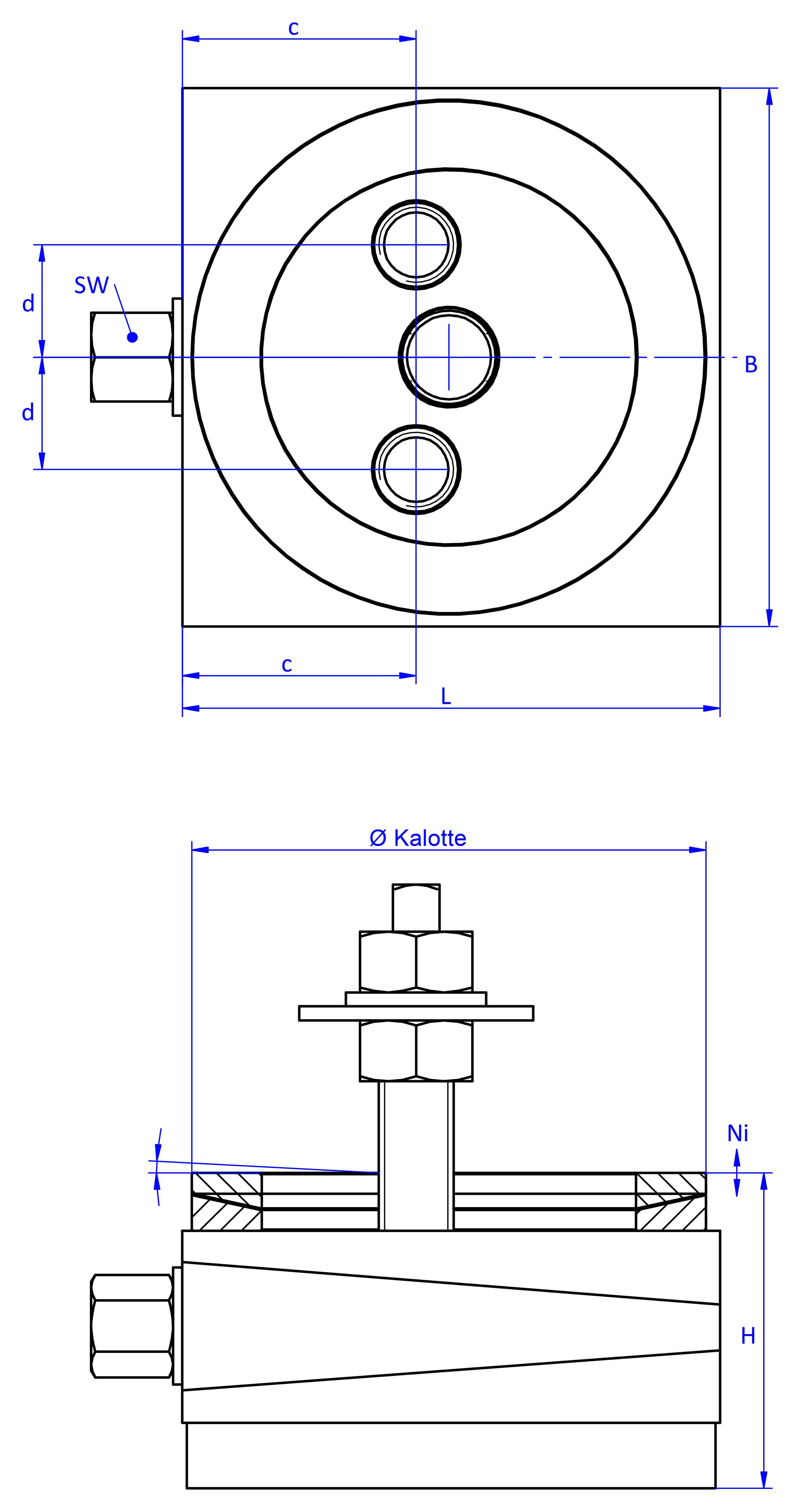
TypArtikelnummerBelastung (daN)L (mm)B (mm)H (mm)Ni (mm)SW (a/i)c (mm)d (mm)Gewinde (anschraubbar unten)Kalotte (Ø mm)Masse (Kg)

FK 04/BO/K/NBR9014

8039 0001

2600

115

115

69

9

19/10

50

24

M16

110

3,50

FK 05/BO/K/NBR9014

8040 0001

3100

125

125

66

9

19/10

50

20

M16

110

4,09

FK 07/BO/K/NBR9014

8041 0001

4500

150

150

75

12

22/12

60

23

M16

110

6,44

FK 07/H/BO/K/NBR9014

8042 0001

4500

150

150

85

12

22/12

60

23

M16

110

7,80

FK 08/BO/K/NBR9014

8043 0001

5100

160

160

76

10

24/14

75

25

M16

110

7,79

FK 10/BO/K/NBR9014

8044 0001

8000

200

200

74

10

24/14

75

27,5

M20

160

11,92

FK 10/H/BO/K/NBR9014

8045 0001

8000

200

200

102

20

27/14

75

27,5

M20

160

17,11

schematische Zeichnung eines anschraubbaren Maschinenschuhs, in der Draufsicht mit zwei Durchgangslöchern im Oberteil und einer aus zwei aufeinander liegenden Metallringen bestehenden Winkelkalotte auf dem Oberteil, zwei Gewindebohrungen im Unterteil, und in der Seitenansicht mit mitteldickem Elastomer ohne Profilierung zur Schwingungsdämpfung unten sowie einer im Unterteil verschraubten Befestigungsschraube

eine Illustration, welche einen Querschnitt durch einen Maschinenrahmen, einen darunterliegenden, mit dem Maschinenrahmen verschraubten höhenverstellbaren Maschinenfuß mit zweiteiliger Winkelkalotte und das Fundament zeigt

weitere Ausführungen

aus Ober-, Mittel- und Unterteil bestehender, quadratischer, höhenverstellbarer Maschinenschuh aus plangefrästem Metall, eingestellt auf mittlere Höhe, silber-grau lackiert, mit keilförmigem Mittelteil mit mittig auf der Seite platzierter Sechskantschraube zur Höhenverstellung, einer aus zwei sphärischen, gerade aufeinander liegenden Metallringen bestehenden Winkelkalotte auf dem Oberteil und einer im Unterteil verschraubten Befestigungsschraube, freigestellt auf weißem Hintergrund

ohne Elastomerbelag

  • Ausgleich von Winkelfehlern
  • Langbettmaschinen
  • Messplatten
  • bei geringer Eigensteifigkeit
  • als Montagehilfe
Mehr
aus Ober-, Mittel- und Unterteil bestehender, quadratischer, höhenverstellbarer Maschinenschuh aus plangefrästem Metall, eingestellt auf mittlere Höhe, silber-grau lackiert, mit keilförmigem Mittelteil mit mittig auf der Seite platzierter Sechskantschraube zur Höhenverstellung, einer aus zwei sphärischen, gerade aufeinander liegenden Metallringen bestehenden Winkelkalotte auf dem Oberteil, einer im Unterteil verschraubten Befestigungsschraube und mitteldickem, schwarzem Elastomer mit Profilierung zur Schwingungsdämpfung unten, freigestellt auf weißem Hintergrund

NBR8516

  • Ausgleich von Winkelfehlern
  • allgemeine Werkzeugmaschinen
  • Textilmaschinen
  • grafische Maschinen
  • Maschinen mit Horizontalschüben
Mehr
aus Ober-, Mittel- und Unterteil bestehender, quadratischer, höhenverstellbarer Maschinenschuh aus plangefrästem Metall, eingestellt auf mittlere Höhe, silber-grau lackiert, mit keilförmigem Mittelteil mit mittig auf der Seite platzierter Sechskantschraube zur Höhenverstellung, einer aus zwei sphärischen, gerade aufeinander liegenden Metallringen bestehenden Winkelkalotte auf dem Oberteil, einer im Unterteil verschraubten Befestigungsschraube und mitteldickem, schwarzem Elastomer ohne Profilierung zur passiven Schwingungsisolierung unten, freigestellt auf weißem Hintergrund

NBR5514

  • Ausgleich von Winkelfehlern
  • Passivisolierung bei
    - Messmaschinen
    - Waagen
    - Dosiergeräten
    - optischen Geräten
  • kritische Geschossaufstellungen

 

Mehr
aus Ober-, Mittel- und Unterteil bestehender, quadratischer, höhenverstellbarer Maschinenschuh aus plangefrästem Metall, eingestellt auf mittlere Höhe, silber-grau lackiert, mit keilförmigem Mittelteil mit mittig auf der Seite platzierter Sechskantschraube zur Höhenverstellung, einer aus zwei sphärischen, gerade aufeinander liegenden Metallringen bestehenden Winkelkalotte auf dem Oberteil, einer im Unterteil verschraubten Befestigungsschraube und mitteldickem, schwarzem Elastomer mit Profilierung zur Schwingungsisolierung unten, freigestellt auf weißem Hintergrund

NBR7516

  • Ausgleich von Winkelfehlern
  • hochdynamische Maschinen
  • Pressen
  • Scheren
  • Stanzen
  • Kunststoffspritzmaschinen
  • Kompressoren
  • Pumpen
Mehr
aus Ober-, Mittel- und Unterteil bestehender, quadratischer, höhenverstellbarer Maschinenschuh aus plangefrästem Metall, eingestellt auf mittlere Höhe, silber-grau lackiert, mit keilförmigem Mittelteil mit mittig auf der Seite platzierter Sechskantschraube zur Höhenverstellung, einer aus zwei sphärischen, gerade aufeinander liegenden Metallringen bestehenden Winkelkalotte auf dem Oberteil, einer im Unterteil verschraubten Befestigungsschraube und dickem, schwarzem Elastomer mit Profilierung zur Schwingungsisolierung unten, freigestellt auf weißem Hintergrund

NBR7525

  • Ausgleich von Winkelfehlern
  • hochdynamische Maschinen
  • Pressen
  • Scheren
  • Stanzen
  • Kunststoffspritzmaschinen
  • Kompressoren
  • Pumpen

höhere Isolierwirkung als Ausführung mit NBR7516

Mehr
aus Ober-, Mittel- und Unterteil bestehender, quadratischer, höhenverstellbarer Maschinenschuh aus plangefrästem Metall, eingestellt auf mittlere Höhe, silber-grau lackiert, mit keilförmigem Mittelteil mit mittig auf der Seite platzierter Sechskantschraube zur Höhenverstellung, einer aus zwei sphärischen, gerade aufeinander liegenden Metallringen bestehenden Winkelkalotte auf dem Oberteil, einer im Unterteil verschraubten Befestigungsschraube und dünnem, schwarzem Elastomer ohne Profilierung für Gleitschutz unten, freigestellt auf weißem Hintergrund

NBR9002

  • Ausgleich von Winkelfehlern
  • Bearbeitungszentren
  • Transferstraßen
  • CNC-Werkzeugmaschinen
  • Rund- und Flachschleifmaschinen
  • Langbettmaschinen mit geringer Eigensteifigkeit
  • Bohr- und Fräswerke

nur Gleitschutz

Mehr

weitere Kategorien

aus Ober-, Mittel- und Unterteil bestehender, quadratischer, höhenverstellbarer Maschinenschuh aus plangefrästem Metall, eingestellt auf mittlere Höhe, silber-grau lackiert, mit keilförmigem Mittelteil mit mittig auf der Seite platzierter Sechskantschraube zur Höhenverstellung, mitteldickem, schwarzem Elastomer mit Profilierung zur Schwingungsdämpfung unten und dünnerem schwarzem Elastomer mit Profilierung für Gleitschutz oben, freigestellt auf weißem Hintergrund

freistehend (FS)

Mehr
aus Ober-, Mittel- und Unterteil bestehender, quadratischer, höhenverstellbarer Maschinenschuh aus plangefrästem Metall, eingestellt auf mittlere Höhe, silber-grau lackiert, mit keilförmigem Mittelteil mit mittig auf der Seite platzierter Sechskantschraube zur Höhenverstellung, zwei Löchern für Befestigungsschrauben im Oberteil, einer im Unterteil verschraubten Befestigungsschraube und mitteldickem, schwarzem Elastomer ohne Profilierung zur Schwingungsdämpfung unten, freigestellt auf weißem Hintergrund

anschraubbar (BO)

Mehr
aus Ober-, Mittel- und Unterteil bestehender, quadratischer, höhenverstellbarer Maschinenschuh aus plangefrästem Metall, eingestellt auf mittlere Höhe, silber-grau lackiert, mit keilförmigem Mittelteil mit mittig auf der Seite platzierter Sechskantschraube zur Höhenverstellung, zwei Löchern für Befestigungsschrauben im Oberteil, einer durch das Unterteil durchgehenden, nach oben herausragenden Befestigungsschraube mit Isolierscheibe, dickem, schwarzem Elastomer mit Profilierung zur Schwingungsisolierung unten und darunter einem verzinktem Bodendübel, freigestellt auf weißem Hintergrund

durchschraubbar (BT)

Mehr
aus Ober-, Mittel- und Unterteil bestehender, quadratischer, höhenverstellbarer Maschinenschuh aus plangefrästem Metall, eingestellt auf mittlere Höhe, silber-grau lackiert, mit keilförmigem Mittelteil mit mittig auf der Seite platzierter Sechskantschraube zur Höhenverstellung, einer aus zwei sphärischen, gerade aufeinander liegenden Metallringen bestehenden Winkelkalotte auf dem Oberteil, einer durch das Unterteil durchgehenden, nach oben herausragenden Befestigungsschraube mit Isolierscheibe und darunter ein verzinkter Dübel zur Bodenbefestigung, freigestellt auf weißem Hintergrund

durchschraubbar (BT) - mit Kalotte

Mehr

Kontakt

bwz Schwingungstechnik GmbH
Felix-Wankel-Strasse 31
D-73760 Ostfildern/Nellingen

Tel:   +49 711 / 340 179 0

E-Mail:
info@bwz-schwingungstechnik.de