• Eigenschaften
    • universell einsetzbare Geräteelemente
      mit Hohlkammer und Trägerplatten
      zur Lagerung von Motoren, Pumpen, Kompressoren, Hydraulikaggregaten, Ventilatoren etc.
    • Shorehärten
      40, 55 und 70 Shore A
    • Werkstoffe
      NR  ( Naturkautschuk ), Stahlteile verzinkt
    • mechanische Eignung
      für Druck- und Schubbeanspruchung
  • Sonderelemente auf Anfrage
    • spezielle Shore-Härten
    • NBR  ( Nitrilkautschuk ) oder EPDM  ( Ethylen-Propylen-Dien-Monomer )
    • Metallkomponenten aus Edelstahl
    • elektrisch leitfähige Gummimetalle
    • Gummipuffer nach Zeichnung

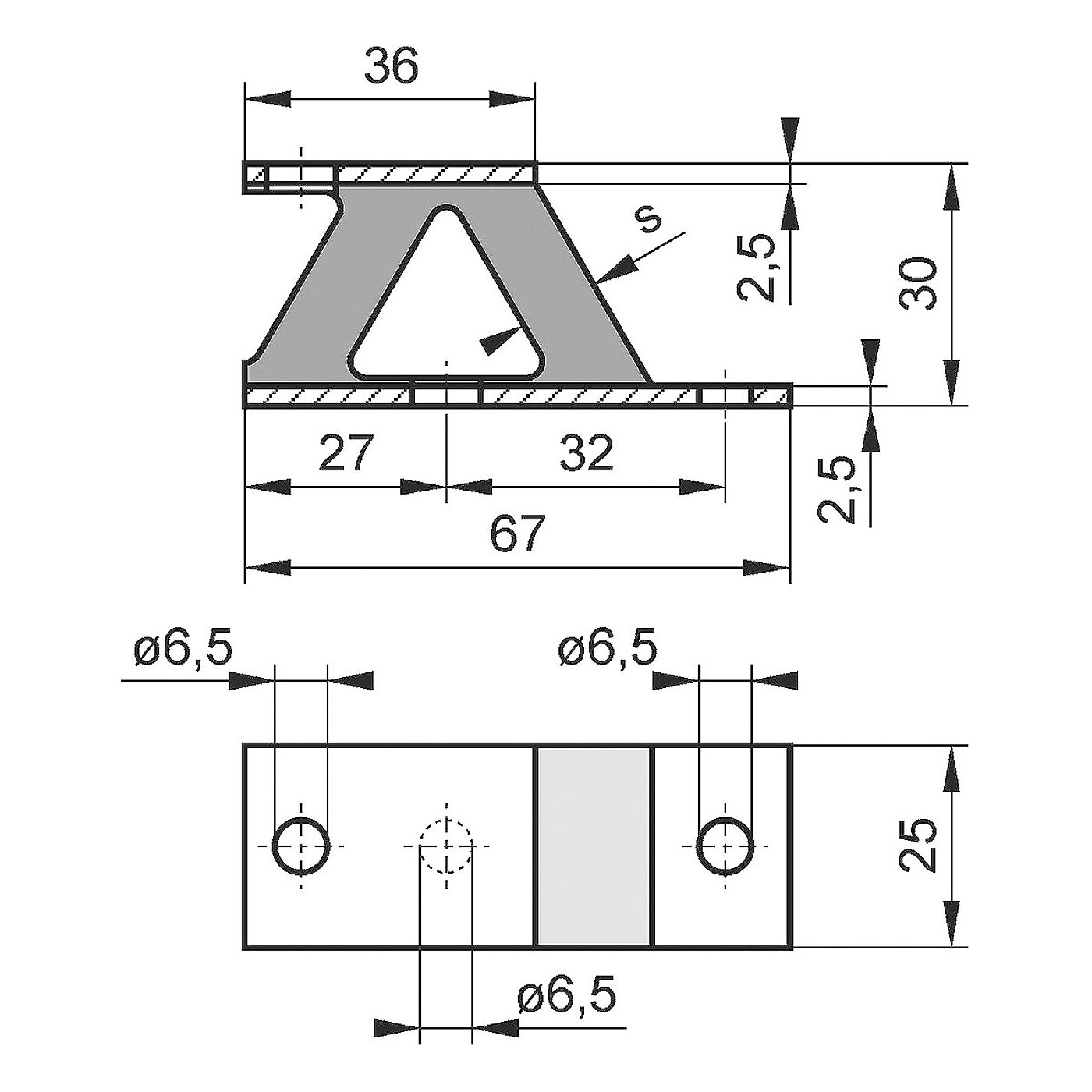
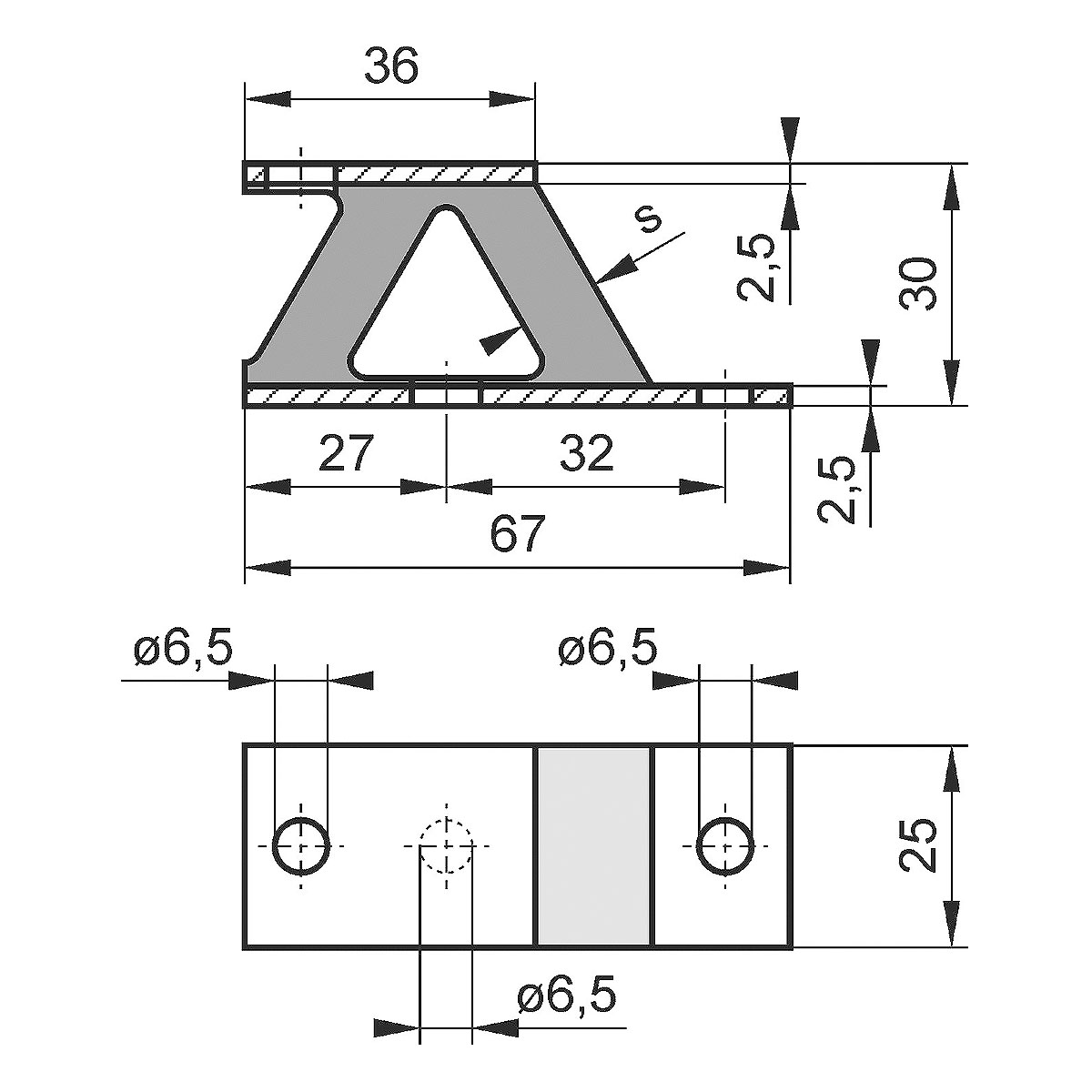
BezeichnungArtikelnummerB(mm)H(mm)L(mm)

Wandstärke S(mm)

Shorehärte+/-5

Typ V 25x30x67/8

5734

25

30

67

8

60

verzinkte Ausführung - Angaben zu Druck- und Schubbelastung auf Anfrage

schematische Zeichnung eines Gummi-Metall-Geräteelementes mit Bodenplatte, Trägerplatte und dazwischenliegendem Elastomerkorpus

Allgemeine Angaben zu Lagerzeit und Einsatzdauer von Elastomeren und Gummi-Metall-Verbindungen

 

Die vorgegebene Lagerdauer unserer Produkte erfolgt in Anlehnung an DIN 95360:

Lagerzeit

bei Erstanlieferungmax. 10 Quartale (Lagerung vor Montage)
bei erstem Einbaumax. 20 Quartale (Lagerung vor Montage)

 

Als maximale Lagerdauer halten wir uns an die Vorgaben der ISO 2230:

GruppeneinteilungErstlagerzeitErweiterte Lagerzeit (nach Überprüfung der Elemente)
Gruppe A Material (NR, SBR,BR,…)5 Jahre2 Jahre
Gruppe B Material (NBR, CR, IIR,…)7 Jahre3 Jahre
Gruppe C Material (EPDM, Silicone,…)10 Jahre5 Jahre
Man beachte: wenn die Lagertemperatur von 25° C abweicht, ergeben sich geänderte Lagerzeiten. 10°C höhere Lagertemperatur schränkt die Lagerzeit um 50% ein, 10°C geringere Lagertemperatur erhöht die Lagerzeit um 50%.

 

Die Einsatzdauer in Anlehnung an DIN 95360, ist wie folgt spezifiziert:

Einsatzdauer

Betriebstemperatur [ °C ]Zul. Einsatzdauer in Jahren bei bis zu 3000 Betriebsstunden 4
-30 bis 5510
-30 bis 805
4 Bei mehr als 3000 Betriebsstunden pro Jahr und/oder Einwirkung von aggressiven Medien wie z.B. Ozon, Ölnebel, Salzwasser oder salzwasserhaltiger Luft reduziert sich die mögliche Einsatzdauer unter Umständen erheblich.

Grundsätzlich muss berücksichtigt werden, dass bei Belastungen im zulässigen Bereich aufgrund des natürlichen Alterungsprozesses des Gummis von einer empfohlenen Einsatzdauer von maximal 6 Jahren ausgegangen werden muss. Spätestens nach diesem Zeitraum, sollte die Prüfung und Bewertung einer repräsentativen Anzahl von Bauteilen erfolgen.

Gummi-Metall-Teile und Gummiformteile sind während des betrieblichen Einsatzes wartungsfrei.

Ein Austausch hat zu erfolgen, wenn:
- durch Setzung und Kriechen in Druckrichtung nur noch 70% der Anfangsgummidicke erreicht ist
- sich infolge von Witterungseinflüssen mehrere deutliche Risse je cm² Gummioberfläche gebildet haben
- die Artikel durch nicht zulässige Ölbenetzung stark aufgequollen sind
- ein Verlust der Gummi-Metall-Haftung (evtl. durch Unterrosten bzw. Korrosion der Metallteile) eingetreten ist
- mechanische Beschädigungen vorhanden sind, die infolge der Kerbempfindlichkeit des Kautschuks zur weiteren Zerstörung des Produktes führen

Die Angaben sind nach bestem Wissen und Gewissen gemacht, jedoch kann die obige Empfehlung nur eine theoretische Entscheidungshilfe sein und entbindet den Anwender nicht von eigenen Prüfungen und Versuchen. bwz® Schwingungstechnik GmbH schließt jede Haftung für Schäden oder Nachteile aus, auch in Bezug auf Schutzrechte Dritter.

ähnliche Artikel

ein Gummi-Metall-Hutelement mit zweifach gelochter Bodenplatte unten, Sechskant-Gewindeeinsatz oben und dazwischenliegendem schwarzem Elastomerkorpus, freigestellt auf weißem Hintergrund

Typ H1

anschraubbar, mit Boden-Befestigungslöchern

Mehr
ein Gummi-Metall-Geräteelement mit zweifach an den Enden gelochter Bodenplatte unten, mittig einfach gelochter Trägerplatte oben und dazwischenliegendem schwarzem Elastomerkorpus mit drei dreiecksförmigen Hohlkammern, freigestellt auf weißem Hintergrund

Typ W

Triplekammer, anschraubbar, Boden-Befestigungslöcher

Mehr
ein Gruppenbild sechs verschiedener silberfarbiger anschraubbarer Schwingungsdämpfer aus Metall mit Bodenplatten, glockenförmigen Metallkappen und dazwischen einvulkanisiertem schwarzem Elastomer, freigestellt auf weißem Hintergrund

Schwingungs-Dämpfer Hill-Mounts

anschraubbar

Mehr

weitere Elastomer-Produkte

eine schwarze, quadratische Gummiplatte aus Elastomer NBR mit kleinen quadratischen Vertiefungen auf der Oberfläche als Gleitschutzprofil, darüber eine hochkant aufgestellte schwarze, runde und glatte Gummischeibe aus Elastomer NBR mit Loch in der Mitte, freigestellt auf weißem Hintergrund

Dämpfungs- und Gleitschutzplatten

More
ein Gruppenbild von drei hellgrauen quadratischen Elastomer-Formstücken unterschiedlicher Größe mit seitlichen Stegen und feinen parallelen Profilrillen auf der Oberfläche auf weißem Hintergrund

Elastomer-Formecken NBR

More

Kontakt

bwz Schwingungstechnik GmbH
Felix-Wankel-Strasse 31
D-73760 Ostfildern/Nellingen

Tel:   +49 711 / 340 179 0

E-Mail:
info@bwz-schwingungstechnik.de